DIAVTOMATIKA.RU
Позиция на
сайте
Главная
>
Реализации
>
Схема шкафа управления дизель-генератором первой степени на двигателе ЯМЗ
Схема шкафа управления дизель-генератором первой степени на двигателе ЯМЗ
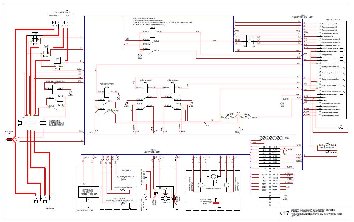
Электрическая схема шкафа управления дизель-генератором первой степени на двигателе ЯМЗ на базе контроллера МКУ 5.110.000.
Хочу что-то подобное
Описание
В документе представлены схема подключения МКУ, основные приборы и модули шкафа и схема подключения узлов дизель-генератора к шкафу.
Фотогалерея
Схема-ЩМК-с-МКУ-5-110-000-для-ЯМЗ.JPG
Задействованные приборы
МКУ 5.110.000 (ОТК/24В/133х98х70/0.3/IP31/MHU/1х3ф380+N/ 3ток.вх.0.5В/6 сух.конт/1вх./3ан.вх/ПОст.)
Файлы и документация
Схема-ЩМК-с-МКУ-5-110-000-для-ЯМЗ
23.12.2012 22:05
Новости и обзоры
Каталог
Контакты
О нас
Реализации