DIAVTOMATIKA.RU
Позиция на
сайте
Главная
>
Реализации
>
Схема шкафа управления дизель-генератором второй степени на двигателе ЯМЗ
Схема шкафа управления дизель-генератором второй степени на двигателе ЯМЗ
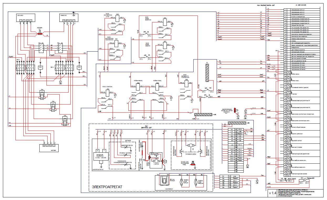
Электрическая схема шкафа управления дизель-генератором второй степени на двигателе ЯМЗ на базе контроллера МКУ 5.230.000.
Хочу что-то подобное
Описание
В документе представлены схема подключения МКУ, основные приборы и модули шкафа и схема подключения узлов дизель-генератора к шкафу.
Фотогалерея
Схема-ЩМК-с-МКУ-5-230-000-для-ЯМЗ.JPG
Задействованные приборы
МКУ 5.230.000 (ОТК/24В/197х144х95/1/IP54/EHD/2х3ф380+N/ 3ток.вх.0.5В/13сух.конт/16вх/4ан.вх/ПО ЯМЗ)
Файлы и документация
Схема ЩМК с МКУ-5-230-000 для ЯМЗ
23.12.2012 22:04
Новости и обзоры
Каталог
Контакты
О нас
Реализации